Tyristorové zapalování pro malé motocykly
Tyristorové zapalování pro malé motocykly
Tento článek je vlastně oživení zhruba 30let staré konstrukce pana Karla Sladkovského, která byla uveřejněna v Amatérském rádiu někdy kolem roku 1974. Jedná se o stavbu tyristorového zapalování, které má u malých motocyklů především značky Jawa velkou účinnost v podobě plynulejšího chodu motoru, lepší akcelerace a neopalování kontaktů kladívka. Konstrukce jistě zaujme mladé nemajetné Jawaře.
Náhrada původních součástek
Celé zapojení jsem se rozhodl inovovat. Použil jsem moderní součástky, které není problém dnes sehnat. Problém se vyskytl u náhrady transformátoru, nakonec jsem to vyřešil tak, že jsem použil trafo se dvěma vinutími 230V/2x6V 16VA, jehož sekundár následně spojil paralelně. Tištěný spoj byl vytvořen v programu Eagle a byly na něj přidány svorkovnice pro vstup a výstup. Mnou navržený spoj zabere zhruba o 2/3 méně místa než původní.

Popis zapojení
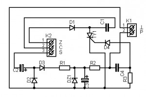
Schéma zapojení je na Obr.1. Zařízení se skládá ze dvou elektrických obvodů. Prvním obvodem je nabíjecí obvod pracovního kondenzátoru C1 o kapacitě 1µF, který se nabíjí napětím 200-300V. Tím se v něm nahromadí dostatečný elektrický náboj, který se v daném okamžiku vybíjí přes primární vinutí zapalovací cívky. Vzniklý proud, který je sice krátkodobý, avšak o značné strmosti, indukuje v sekundárním vinutí zapalovací cívky vysoké elektrické napětí, potřebné k přeskočení jiskry na svíčce. Potřebné napětí pro nabíjení C1 odebíráme z vinutí alternátoru, určeného původně pro zapalování, označeného Z, toto napětí je při startování motocyklu velmi malé, řádově 2,5 - 3V. Pro činnost tyristorového zapalování je zapotřebí alespoň 100V. Z tohoto důvodu je použito transformátoru, zapojeného obráceně než je obvyklé. Výstupní napětí z transformátoru je usměrňováno diodou D1 a nabíjí kondenzátor C1.
Další část tyristorového zapalování je obvod pro vybíjení kondenzátoru přes zapalovací cívku. Tento obvod se skládá z tyristoru TY1, který funguje jako bezkontaktní spínač, dále za synchronizačního obvodu, který dává impuls na řídící elektrodu tyristoru v závislosti na činnosti přerušovače, a konečně okruh pro vytvoření stabilizovaného stejnosměrného napětí.
Tento obvod je napájen střídavým napětím z cívky bzučáku, označeného ve schématu jako S. Napětí usměrňuje diodu D3 a nabíjíme jím kondenzátor C3, přičemž dioda D2 s kondenzátorem C2 zastává funkci zdvojovače napětí, tzn. při záporné půlvlně se C2 nabíje přes D2 a jeho napětí se pak při kladné půlvlně přičítá k napětí usměrněnému diodou D3. Zdvojovač je zde řešen s ohledem na poměrně malé napětí vinutí "S" při startování, které podobně jako u vinutí zapalovací cívky dosahuje jen 2,5 - 3V. Naopak, při vyšším napětí při vysokých otáčkách motoru musíme napětí omezit přes Zenerovu diodu DZ1 ve spolupráci se zatěžovacím odporem R1. Miniaturní odpor R1 mi cca po 10minutách jízdy shořel, z důvodu velkého vytížení, musel jsem ho tedy nahradit téže hodnotou avšak větším výkonem 5W. Stabilizované napětí, které odebíráme z C3 vedeme přes odpor R2 na kladívkový přerušovač. Původní o drušovací kondenzátor, který je paralelně připojen k přerušovači, není pro činnost tyristorového zapalování nutný, nicméně já jsem ho zde ponechal. Odpor R2 omezuje proud celého obvodu při sepnutém přerušovači na hodnotu asi 20mA, tím nedochází k opalování kontaktů.
V okamžiku rozepnutí přerušovače se nabíjí kondenzátor C4. Po dobu jeho nabíjení se na odporu R3 vytvoří úbytek napětí, jehož kladný potenciál zavedeme přes diodu D4 na řídící elektrodu tyristoru, ten se otevře a náboj shromážděný v C1 se okamžitě vybije přes vysokonapěťovou cívku. Otevření tyristoru trvá jen po dobu, kdy se C4 nabíjí. Po jeho úplném nabití zanikne úbytek napětí na R3, zanikne proud v řídicí elektrodě tyristoru a při záporné půlvlně ve vinutí zapalovací cívky, kdy zanikne i napětí na anodě tyristoru, se tyristor uzavře a opět se přes diodu D1 začne nabíjet C1, i když přerušovač je ještě dále po určitou dobu stále rozepnut.

rozměry tištěného spoje 32x64mm. Doporučuji vytisknout pomocí programu IrfanView, nebo přímo v Eaglu 4.15.

Odzkoušení
Konstrukční provedení
Konstrukční provedení je na každém stroji individuální, pro inspiraci zde uvádím jak jsem ho vyřešil na Pionýru Jawa 20.
Tištěný spoj jsem přes distanční sloupky přišrouboval k hliníkovému chladiči z vyřazeného počítačového zdroje, na kterém je zároveň izolovaně (aby nedošlo ke zkratu) přichycen tyristor TY1 a vyvedena kostra z rámu, která jde dále do zapalování (K1/1) a na transformátor. K tomuto celku je přišroubováno přes mosazné distanční sloupky trafo.
Opět nastal problém - kam celé zařízení umístit aby zbylo nějaké to malé místo na nářadí a lékárničku, napadlo mě umístit zapalování do prostoru předního světla, tam by se ale musely vést všechny kabely, další návrh byl místo filtru, po krátkém zauvažování mě napadlo upravit pootočením držák vysokonapěťové cívky tak aby byla vodorovně, nad ní se poté vytvořilo místo kde bude umístěné zapalování. Na chladič mi táta svařil z nerez pasoviny držák, ještě bylo potřeba pilkou na železo zkosit hranu chladiče tak, aby se trafo vešlo až pod jekl rámu, vyvrtat dvě díry a vyříznout závit M4. Pod zkosenou hranu chladiče jsem pro jistotu přidal kousek gumy ze staré duše aby se nevydřel nový lak.
Chtěl bych připomenout že tištěný spoj je nutné opatřit řádnou vrstvou ochranného laku, aby při navlhčení (například při mytí) nedošlo k oxidaci, dále doporučuji součástky které vyčnívají z desky jako jsou kondenzátory zalít silikonem protože při jízdě se celý motocykl chvěje a mohlo by dojít k jejich uklepání (podobně jsem zajistil i vývody z trafa, ze stejných důvodů).
Úpravy elektrické instalace
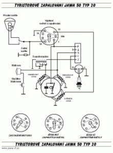
Elektrickou instalaci jsem musel oproti staršímu zapojení předělat hlavně kvůli svícení, poněvadž když měl motor nízké otáčky tak při zátěži žárovek zhasnul. Tato nepříjemná věc se mi stala několikrát na křižovatce. Úprava je sice jednoduchá, ale musí se celé zapojení předělat. Cívku, která slouží k napájení světel jsem nechal pouze pro účely napájení předního a zadního koncového světla. Zapalovací cívka vede přímo na sekundár trafa z kterého pokračuje primárem dále do zapalování. Cívka která je umístěna na rotoru vpravo nahoře původně sloužila pouze pro výstražný bzučák, tento účel jsem jí ponechal a navíc je z ní vyvedeno napájení pro tyristorové zapalování (svorkovnice K2/3 - S). Tímto jsem vyřešil problém s nedostatkem energie pro zapalování, možná by bylo možné vyřešit napájení vstupu K2/3 tím že by se napětí překlenulo ze zapalovací cívky, to jsem však nezkoušel. Jinak celá elektrická instalace je přehledně znázorněna na Obr.2.

Světelná cívka jde na hlavní vypínač světel a zapalování 55, z 56 jde do zadního světla a na přepínač dálkových a tlumených světel. Výstup C vede na vysokonapěťovou cívku 15. Motor se vypíná ukostřením kladívek přes hlavní vypínač otočením doprava. Myslím že si každý dál poradí. Elektrody na svíčce jsem upravil na vzdálenost 1mm aby se vytvořila delší jiskra a motor dobře zapálil.
Tímto je montáž hotova a pokud jste postupovali správně a pečlivě tak nám pionýr pojede o poznání lépe něž před instalací.
Na závěr
Se zapalováním jsem ujel kolem 5000 km a tady jsou moje poznatky: když startuji tak není potřeba velké síly k sešlápnutí páky, již při malém pootočení motoru je cítit jak kopne zpátky. Chytá perfektně. Velice živě jde motor za plynem. Zrychlil se rozjezd z místa a s tím spojená akcelerace… Je to prostě úprava která se vyplatí.
seznam součástek:
R1 120R/5W R2 330R R3 220R D1 až D4 BY 399 DZ1 BZY 6,2, Zenerova dioda C1 1µ/630V, fóliový C2,C3 100µF/16V, elektrolyt C4 1µ/250V, fóliový TY1 TIC 106M, tyristor TO220 K1 ARK 300V-2P K2 ARK 300V-3P TR1 230V/2x6V 16VA (TRHWI541-2X6) konstrukční materiál: 3x Distanční sloupek M3 8mm 4x Distanční sloupek M4 10mm Slídová podložka TO220 2x izolační průchodka TO220 Všechny součástky jsem koupil v prodejně GM Electronic v Plzni za cenu okolo 350Kč.
Komentáře
Přehled komentářů
drsný, škoda že to neni na stadionu kam schovat, jinak bych do toho šel... Ale kvůli vzhledu používám i originál zapalovací cívku, aby tam nestrašila ošklivá indukčka :-)


Pěkný
(Smaja, 24. 11. 2008 20:45)